Os acopladores de andaimes , que são usados para conectar tubos de aço na construção de andaimes, e os conectores entre tubos de aço e outras estruturas, são amplamente utilizados em vários tipos de projetos de andaimes. . Geralmente existem padrões europeus e padrões japoneses. EK, como fornecedor líder de acopladores de andaimes na China , concentra-se na introdução de acopladores de andaimes de alta qualidade de padrão europeu para atender ao uso dos seguintes países, Áustria, Bélgica, Chipre, República Tcheca, Dinamarca, Estônia, Finlândia, França, Alemanha, Grécia, Hungria, Islândia, Irlanda, Itália, Letônia, Lituânia, Luxemburgo, Malta, Holanda, Noruega, Polônia, Portugal, Eslováquia, Eslovênia, Espanha, Suécia, Suíça e Reino Unido.
| Acoplador duplo | Acoplador giratório | ||
| 48.3*34 | 48.3*34 | 34*34 | 34*38 |
| 48.3*38 | 48.3*38 | 38*38 | 38*42 |
| 48.3*42 | 48.3*42 | 42*42 | 42*60 |
| 48.3*48.3 | 48.3*48.3 | 48,3*60,3 | - |
| 48.3*60 | 48.3*60 | 60*60 | 60*76 |
| 48.3*76 | 48.3*76 | 76*76 | 86*89 |
| 48,3*60,3 | 48.3*89 | 89*89 | - |
| 60,3*60,3 | 60,3*60,3 | - | - |
| Acoplador de manga/junta | Acoplador de viga | Putlog/acoplador único | Couplador de retenção da placa | Acoplador de distância | SK - Bjelke Klips | Dobbelt Oppheng Klips | Sepultura | Acoplador de anel |
| 48.3*48.3 | 48,3*45 | 48.3*48.3 | 48.3*38 | 48,3*74 | 48.3 | 48.3*48.3 | 48.3 | 48.3 |
| 40*40 | 48.3*50 | - | 48,3*45 | 48,3*98 | - | - | - | - |
| - | 48,3*55 | - | 38*38 | - | - | - | - | - |
Resumo dos resultados:
| Não. | Item de teste | Método de teste |
| 1 | Força escorregando | En 74-1: 2005 |
| 2 | Força de falha | En 74-1: 2005 |
Resultados do teste:
| Cláusula de teste | Item de teste | Requisito de teste | Resultado do teste | Conclusão |
|
7.2.1
|
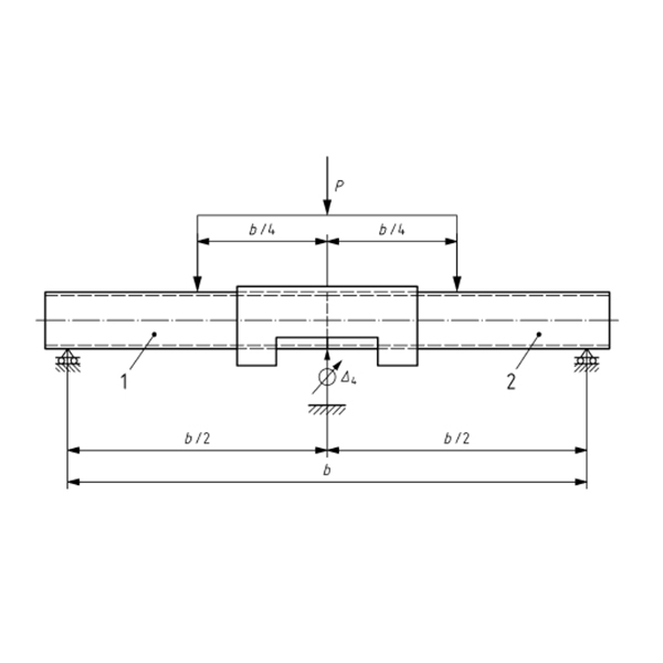
Força escorregando
| △ 1≤7 mm, Fs, 5%≥10,0kn | △ 1 = 7mm, fs, 5%= 15,88kn |
Passar
|
| 1mm≤ △ 2≤2 mm, fs, 5% ≥15,0kn | 1mm≤ △ 2≤2 mm, fs, 5%= 15,91kn | |||
| 7.2.2 | Força de falha | FF, 5%/γR2 ≥30.0kn | FF, 5%/γR2 = 50,63kn | Passar |
Em circunstâncias normais, é difícil alcançar a grau B, mas chegamos
Resumo dos resultados:
| Não. | Item de teste | Método de teste |
| 1 | Força escorregando | En 74-1: 2005 |
| 2 | Força de falha | En 74-1: 2005 |
Resultados do teste:
| Cláusula de teste | Item de teste | Requisito de teste (Acoplador giratório, classe B) | Resultado do teste | Conclusão |
|
7.2.1
|
Força escorregando
| △ 1≤7 mm, Fs, 5%≥10,0kn | △ 1≤7 mm, FS, 5%= 10,6kn |
Passar
|
| 1mm≤ △ 2≤2 mm, fs, 5% ≥15,0kn | Fs = 30kn, △ 2˂1mm | |||
| 7.2.2 | Força de falha | FF, 5%/γR2 ≥20.0kn | FF, 5%/γR2 = 24,4kn | Passar |
Resumo dos resultados:
| Não. | Item de teste | Método de teste |
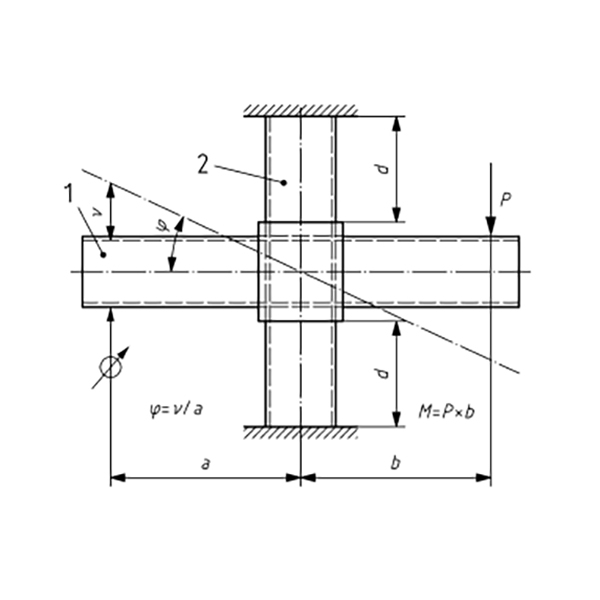
| 1 | Resistência ao momento de flexão | EN 74-1: 2005 Cláusula 7.4.3 |
| 2 | Força escorregando | EN 74-1: 2005 Cláusula 7.2.1 |
Resultados do teste:
| Item de teste | Resultado do teste | Requisito de teste (Couplador de manga, classe B) | Conclusão |
| Resistência ao momento de flexão | △ 4 = 5mm, Mb, 5% = 1,43knm | △ 4 = 5mm, MB, 5% ≥1,4knm | Passar |
Resumo dos resultados:
| Não. | Item de teste | Método de teste |
| 1 | Resistência escorregando | BS 1139-2.2: 2009+A1: 2015 Cláusula 7 e anexo A.2 |
Resultados do teste:
| Item de teste | Resultado do teste | Requisito de teste | Conclusão |
| Resistência escorregando | 1mm≤ △ 2≤2 mm, fs, 5% = 1,83kn | 1mm≤ △ 2≤2 mm, fs, 5% ≥1,04kn | Passar |
Resumo dos resultados:
| Não. | Item de teste | Método de teste |
| 1 | Teste de força | AS/NZS 1576.2: 2016 Apêndice L |
| 2 | Teste de deslizamento ao longo do tubo | AS/NZS 1576.2: 2016 Apêndice M |
| 3 | Teste de deslizamento ao longo do tubo um flange | AS/NZS 1576.2: 2016 Apêndice N |
Resultados do teste:
| Cláusula de teste | Item de teste | Requisito de teste | Resultado do teste | Conclusão |
| Apêndice l | Teste de força | P = 30,0kn, nenhum doss do flange deve mostrar qualquer conjunto permanente | P = 30,0kn, nenhum doss do flange mostrou nenhum conjunto permanente | Passar |
| Apêndice m | Teste de deslizamento ao longo do tubo | P = 12,5kn, deslizamento ≤ 6mm | P = 12,5kn, deslizamento <6mm | Passar |
| Apêndice n | Teste de deslizamento ao longo do tubo um flange | P = 12,5kn, deslizamento ≤ 6mm | P = 12,5kn, deslizamento <6mm | Passar |
Resumo dos resultados:
| Não. | Item de teste | Método de teste |
| 1 | Força de falha | Com referência ao EN 74-1: 2005 |
| Item de teste | Resultado do teste | |||||
| 1# | 2# | 3# | 4# | 5# | 6# | |
| Força de falha (KN) | 42.84 | 38.89 | 43.60 | 42.91 | 40.79 | 29.8 |
| Largura entre apartamentos para noz hexágono e usando países | ||
| Largura | 21 | Reino Unido e a Commonwealth of Nations |
| Largura | 22 | EUA, Alemanha e alguns países eurupeanos |
| Largura | 23 | Austrália |
| Largura | 19 | Japão, Coréia do Sul e alguns países do sudeste asiático |
|
| Parafuso dia. | Largura entre apartamentos | Altura | Largura entre apartamentos | Altura | Largura entre apartamentos | Altura |
| Noz hexágono | 1/2 ' | S21 | H11 | S22 | H11 | S23 | H11 |
| Noz hexágono |
| SF21 | H14 | SF22 | H14 | SF23 | H14 |
| Noz hexágono |
| SF21 | H19 | SF22 | H19 | SF23 | H119 |
| Noz hexágono |
| S21 | H15 |
|
|
|
|
| Noz hexágono | M14 | S22 | H11 | S23 | H11 |
|
|
| Noz hexágono |
| SF22 | H14 | SF23 | H14 |
|
|
| Noz hexágono |
| SF22 | H19 | SF23 | H119 |
|
|
| Noz hexágono | M12 | SF19 | H9 |
|
|
|
|
| Porca da asa | 1/2 |
|
|
|
|
|
|
|
| Dia. | Comprimento efetivo / comprimento do parafuso | Usar |
|
T-Bolt | 1/2 | 75-88 | Reino Unido e a Commonwealth of Nations |
| M14 | 75-87 | EUA, Alemanha e alguns países eurupeanos | |
| M14 | 98-110 | EUA, Alemanha e alguns países eurupeanos | |
|
Parafuso de olho | 1/2 | 67-86 | Reino Unido e a Commonwealth of Nations |
| M12 | 57-73 | Reino Unido e a Commonwealth of Nations | |
| M14 | 70-90 | EUA, Alemanha e alguns países eurupeanos | |
| Bolsa de ponta da divisão | 1/2 | 45-82 | Para Couplador Putlog, BRC, etc. |
|
Parafuso de carro |
1/2 | 116-125 |
Para grampo externo de tubo, grampo universal, etc. |
| 85-92 | |||
| Bolt hexágono | M16 | 72-80 | Para acoplador de viga, pino de junta df |
| Bolt T Lap | 1/2 | 66-76 | Para acopladores italianos |
|
| Grossura | Diâmetro interno / externo. |
|
Lavadora | 3.5 | 13-26 |
| 5 | 13-26 |
Realmente competitivo! Os andaimes EK estão perto da origem do aço e temos um grande volume de pedidos, por isso obtemos um preço relativamente mais barato da matéria-prima do aço. Baixo custo de mão de obra e perto do porto marítimo de Xangai também são nossas vantagens. E o mais importante de tudo, 'menos lucro, mas grande rotatividade' é nosso princípio comercial perpétuo de ser fornecedor de acopladores de andaimes de alta qualidade na China.
1.EK segue rigorosamente as estipulações definidas pelo padrão EN74/BS1139/EN1065/AS1576.
2.EK Scaffolding possui um conjunto completo de sistema de inspeção de qualidade a partir da entrada da matéria-prima e expedição dos materiais acabados.
Sem quantidade mínima de pedido, múltiplas linhas de produção são produzidas em intervalos, disponíveis a qualquer momento.
Copyright © 2016 - 2026 EK Metalwork Co., Ltd. Todos os direitos reservados.
